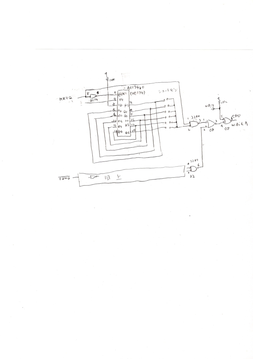
2022-04-19 Z80回路図ここまで書かなければか・・・ AC573についてはHC573の資料をネットで見て下さい 初心者向けにICのピン版を入れてみました 一部、ピン番号を入れ忘れました。それぞれに調べてくって下さいませ