この広告は、90日以上更新していないブログに表示しています。
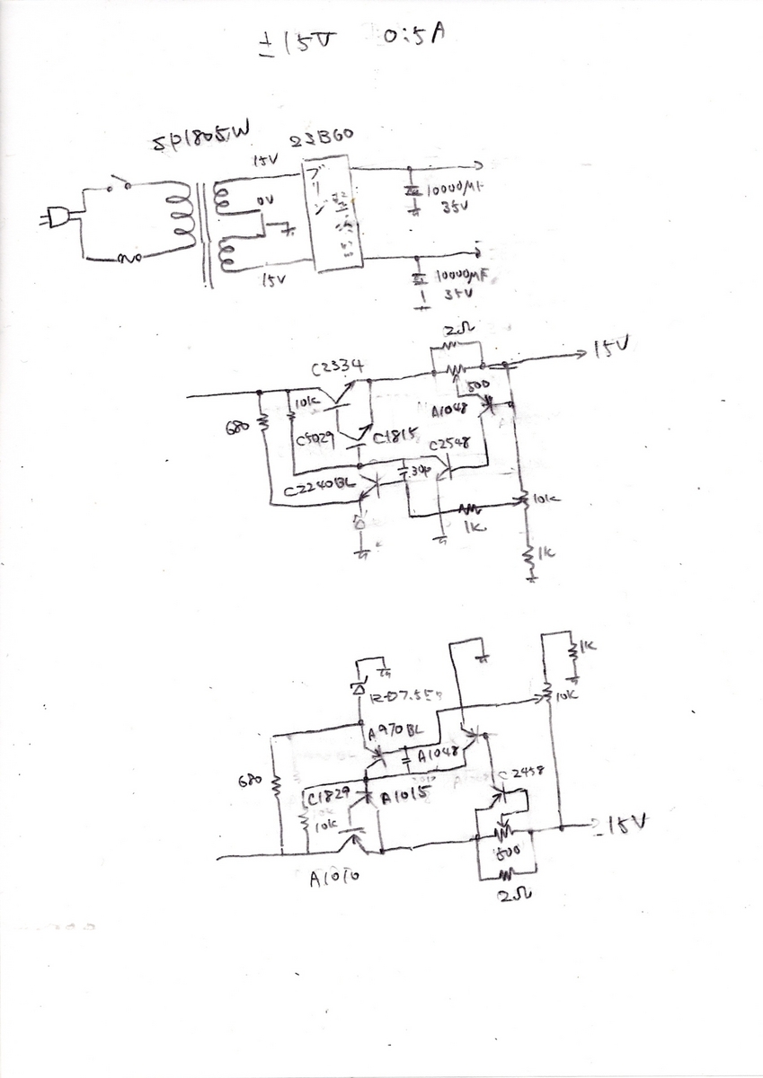
Analogue・Synthesizerの実験には
実際は±15[V] 2[A]の物を作っておけば・・・
引用をストックしました
引用するにはまずログインしてください
引用をストックできませんでした。再度お試しください
限定公開記事のため引用できません。