6809及びZ80回路変更一部
『6809』及び『Z80』回路、一部変更
基本的にMC-8同様な物の再現の為の物です
今、EditorのSystemをWindows 11にしてしまったので
色々が、異なってしまっています
動かないApplicationもある為
時間がかかっています
基本Windows XPを使う様にはしていますが
何か異変が起きてしまっています
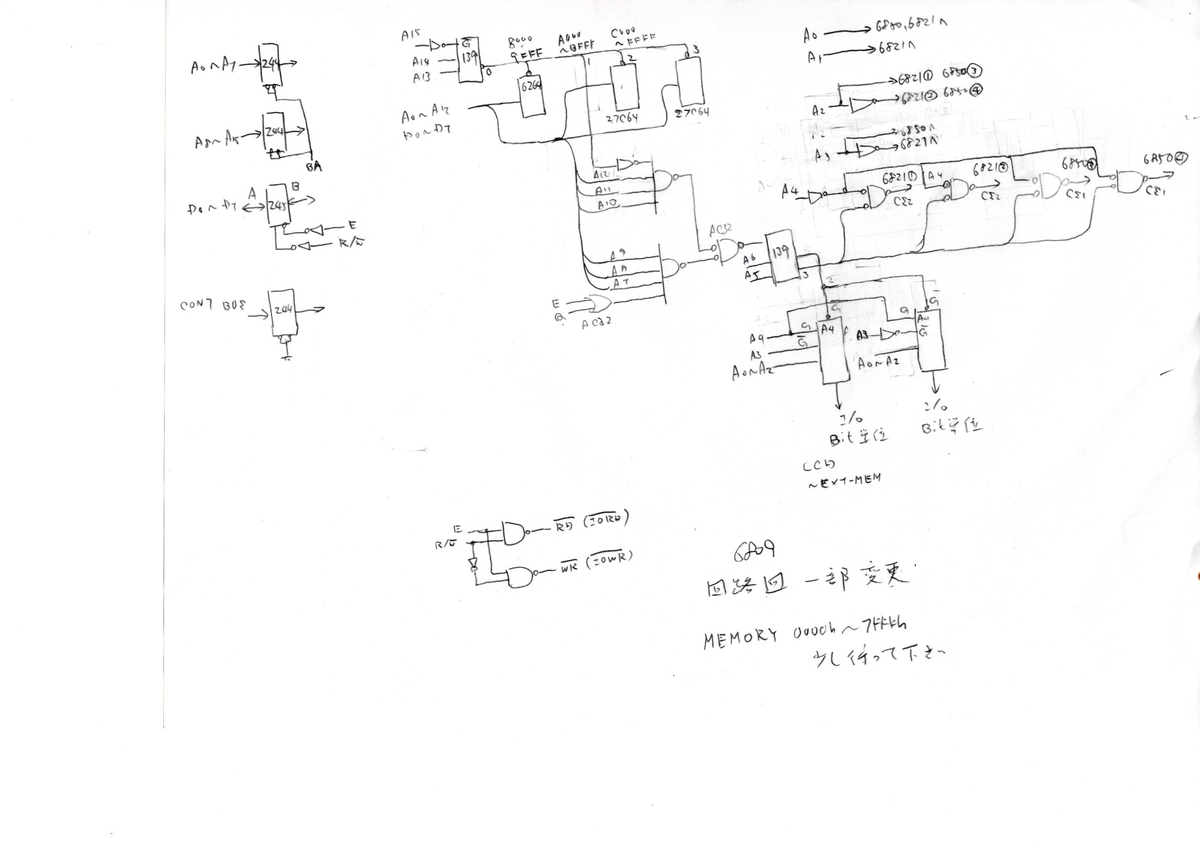
時に、元になる、メインの回路図を示します
6809の0000h~7FFFh及び
I/O回路に於いて変更を伴う為
今しばらく待ってください
明日中には、掲載予定です

