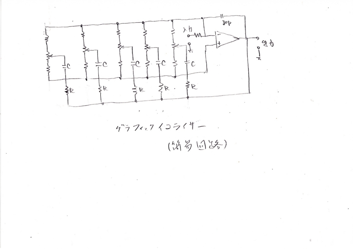
2023-10-28 GraphicEqualizerは、図に示すような回路で行けるのでは? Graphic-Equalizerの回路も考えてみました LCの回路をCRに置き換えた物ですが 近年増幅度も高いのでLC回路で無くCR回路に置き換えてみました 値は、まだ不定です