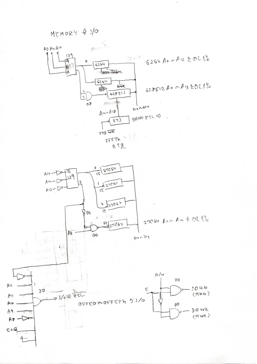
昔の資料を参考に6809CPU周辺を書きました

昔の回路を参考に、今風に変えてみました

多分動くと思います

MC6809Pの資料や部品はネットで探してみて下さい

 

 

 





多分動くのでは・・・